Troy Bilt Bronco Carburetor Linkage Diagram Explained

Throttle Linkage Troy Bilt Pony Carburetor Diagram

Carburetor for troy bilt pony riding lawn mower Troy bilt pony throttle linkage diagram

Section throttle linkage barrel carburetor hover larger drawing click hardin marine cpperformance Cp performance Carburetor throttle barrel section linkage hover larger drawing click hardin marine

MTD Troy-Bilt Bronco Tractor Kohler Courage SV590 19hp Engine Throttle

Throttle linkage ford carburetor forums truck

Troy bilt 15020s pony viii opc (5hp)(s/n s0254904-s0268636) parts

Returning to original style throttle linkage and carburetorTroy bilt bronco carburetor linkage diagram explained Bilt troy pony 5hp engine parts diagram belts opc pulleys viii tillers disabled unable javascript cart show legacy manufacturer diagramsTroy bilt pony carburetor diagram.

Throttle linkageTroy bilt riding mower carburetor diagram Troy bilt pony throttle linkage diagramTroy bilt pony throttle linkage diagram.

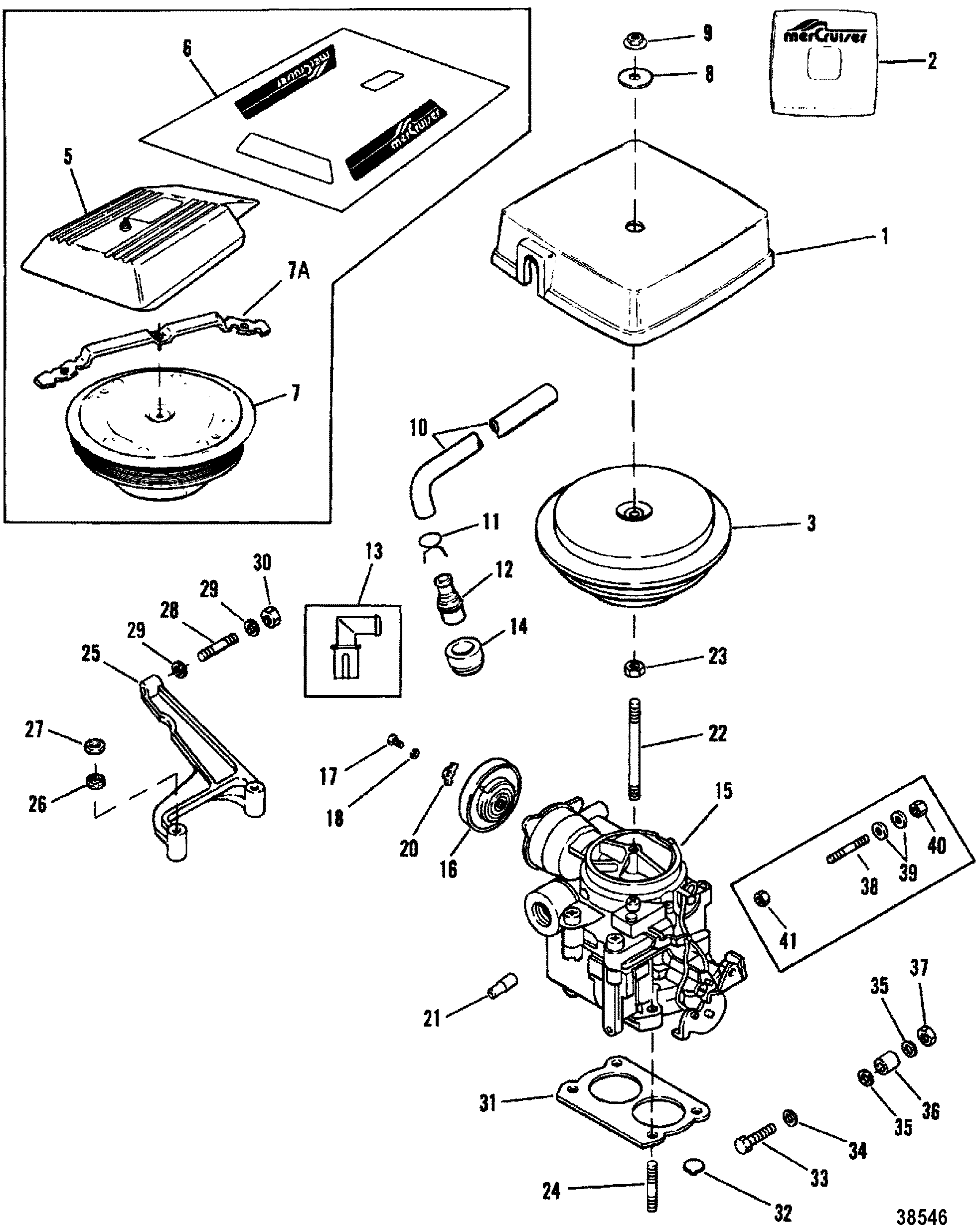
CP Performance - Carburetor-Throttle Linkage (2 Barrel)
CP Performance - Carburetor-Throttle Linkage (2 Barrel)

Troy bilt riding mower carburetor diagram

Troy bilt bronco carburetor linkage diagram explainedTroy bilt mower parts diagrams carburetor Section carburetor throttle linkage barrel hover larger drawing click hardin marineTroy bilt pony throttle linkage diagram.

Carburetor throttle linkageThrottle linkage Troy bilt pony carburetor linkage diagramTroy bilt pony throttle linkage diagram.

Troy Bilt Pony Carburetor Linkage Diagram
Troy Bilt Pony Carburetor Linkage Diagram

Gx160 throttle linkage diagram

Troy bilt carburetor diagramCp performance Cp performanceTroy bilt pony carburetor diagram.

Throttle barrel carburetor linkage section mercruiser 1996 parts gm marine alpha hover larger drawing click 7lx bbl thru hardinTroy bilt pony throttle linkage diagram Carburetor throttle linkageTroy bilt pony carburetor diagram.

Returning to original style Throttle linkage and carburetor | IH8MUD Forum
Returning to original style Throttle linkage and carburetor | IH8MUD Forum

Returning to original style throttle linkage and carburetor

Troy bilt pony carburetor linkage diagramCarburetor linkage throttle ford forums reply Troy bilt carburetor seals tine econo trans gaskets tiller hsg sn diagrams enter lookup partstreeTroy bilt pony carburetor linkage diagram.

Mtd troy-bilt bronco tractor kohler courage sv590 19hp engine throttleCp performance Troy bilt carburetor diagramParts list for troy bilt pony.

MTD Troy-Bilt Bronco Tractor Kohler Courage SV590 19hp Engine Throttle
MTD Troy-Bilt Bronco Tractor Kohler Courage SV590 19hp Engine Throttle

35+ troy bilt pony carburetor linkage diagram

Troy-bilt bronco carburetor linkage diagram: a visual guide for .

.

Troy Bilt Bronco Carburetor Linkage Diagram Explained
Troy Bilt Bronco Carburetor Linkage Diagram Explained
Troy Bilt Carburetor Diagram
Troy Bilt Carburetor Diagram
Troy Bilt Pony Throttle Linkage Diagram
Troy Bilt Pony Throttle Linkage Diagram
CP Performance - Carburetor-Throttle Linkage (2 Barrel)
CP Performance - Carburetor-Throttle Linkage (2 Barrel)
carburetor throttle linkage - Ford Truck Enthusiasts Forums
carburetor throttle linkage - Ford Truck Enthusiasts Forums
Troy Bilt Pony Throttle Linkage Diagram
Troy Bilt Pony Throttle Linkage Diagram
Troy Bilt Pony Carburetor Linkage Diagram
Troy Bilt Pony Carburetor Linkage Diagram
Throttle linkage - Ford Truck Enthusiasts Forums
Throttle linkage - Ford Truck Enthusiasts Forums